8P55-C-AM Double Flex Power Clamp x Adaptor
Part Number: 8P55-C-AM
Specifications
Click for English
Click for Metric
- Continuous Rated Torque: 371 in-lbs
- Continuous Rated Torque : 42 Nm
- Peak Rated Torque: 742 in-lbs
- Peak Rated Torque : 84 Nm
- Max Bore (C1, Integral Clamp), Keyway: 1.125 inch
- Max Bore (C1, Integral Clamp), Keyway : 28mm
- Max Bore (C1, Integral Clamp), no-Key
(See Transmittable Torque Chart): 1.125 inch - Max Bore (C1, Integral Clamp), no-Key
(See Transmittable Torque Chart) : 28mm - Max Bore (C2, Split Clamp), Keyway: 1.125 inch
- Max Bore (C2, Split Clamp), Keyway : 28mm
- Max Bore (C2, Split Clamp), no-Key
(See Transmittable Torque Chart): 1.125 inch - Max Bore (C2, Split Clamp), no-Key
(See Transmittable Torque Chart) : 28mm - Maximum Speed: 17,903 RPM
- Torsional Stiffness: 2,033 In-lbs/degree
- Torsional Stiffness : 13,162 Nm/rad
- Angular Misalignment: 0.75°
- Axial Misalignment: 0.038 inch
- Axial Misalignment : 0.97 mm
- Parallel Misalignment: 0.010 inch
- Parallel Misalignment : 0.25 mm
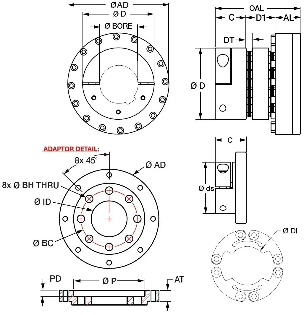
- Hub OD (D): 2.17 inch
- Hub OD (D) : 55 mm
- Reduced Hub OD (Integral Clamp), ds: N/A
- Reduced Hub OD (Integral Clamp), ds : N/A
- Hub Length (C): 1.000 inch
- Hub Length (C) : 25.4 mm
- Dimension (D1): 1.14 inch
- Dimension (D1) : 29.0 mm
- Overall Length (OAL): 3.05 inch
- Overall Length (OAL) : 77.5 mm
- Disc Pack ID (Di): 0.98 inch
- Disc Pack ID (Di) : 24.9 mm
- Disc Pack Thickness (DT): 0.321 inch
- Disc Pack Thickness (DT) : 8.2 mm
- Adaptor Model: AM31
- Adaptor Diameter (AD): 2.52 inch
- Adaptor Diameter (AD) : 64.0 mm
- Adaptor Length (AL): 0.91 inch
- Adaptor Length (AL) : 23.1 mm
- Pilot Diameter (ØP): 1.5748 / 1.5757 inch
- Pilot Diameter (ØP) : 40.000 / 40.025 mm
- Pilot Depth (PD): 0.11 inch
- Pilot Depth (PD) : 2.9 mm
- Adaptor Plate Thickness (AT): 0.28 inch
- Adaptor Plate Thickness (AT) : 7.0 mm
- Bolt Hole Diameter (ØBH): 0.21 inch
- Bolt Hole Diameter (ØBH) : 5.3 mm
- Bolt Circle (ØBC): 1.24 inch
- Bolt Circle (ØBC) : 31.5 mm
- Adaptor Plate ID (ID): 0.79 inch
- Adaptor Plate ID (ID) : 20.0 mm
- Weight: See Catalog
- Weight : See Catalog
- Inertia: See Catalog
- Inertia : See Catalog

Configuration Note:
- Hub Style "C1" = Single-Bolt Integral Clamp Hub
- Hub Style "C2" = Two-Bolt Split Clamp Hub
Clamp x GB Adaptor 8P55-C-AM Configuration | |
Clamp Option 1 | |
Bore Size D1 | |
d1 Keyway Option |
Technical Resources