QX Models > JK3 Model Reversible Drives
Click image to enlarge

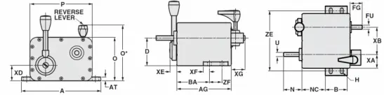
JK3 Model Reversible Drives

Part Number: JK3


Warning: array_merge(): Argument #2 is not an array in /data/www/webroot/zeromax/www.zero-max.com/public_html/includes/classes/image_viewer.php on line 35
Click image to enlarge
Quantity:
 
Specifications
Click for English
Click for Metric
  • Output Torque: 25 in-lbs
  • Output Torque : 2.8 Nm
  • Speed Range*: 400-0-400 rpm
  • Recommended Input Power: 1/3 HP
  • Recommended Input Power : 0.25 kW
  • Net Weight: 6 lbs
  • Net Weight : 2.7 kg
  • Dimension (A): 6.37 inches
  • Dimension (A) : 161.80 mm
  • Dimension (AG): 4.37 inches
  • Dimension (AG) : 111.00 mm
  • Dimension (AT): 0.31 inches
  • Dimension (AT) : 7.87 mm
  • Dimension (B): 2.00 inches
  • Dimension (B) : 50.80 mm
  • Dimension (BA): 2.71 inches
  • Dimension (BA) : 68.83 mm
  • Dimension (D): 2.25 inches
  • Dimension (D) : 57.15 mm
  • Dimension (FG): 1.12 inches
  • Dimension (FG) : 28.45 mm
  • Dimension (FU): 0.375 inches
  • Dimension (FU) : 9.53 mm
  • Dimension (H), Slots: 0.28 inches
  • Dimension (H), Slots : 7.11 mm
  • Dimension (N): 1.68 inches
  • Dimension (N) : 42.67 mm
  • Dimension (NC): 2.12 inches
  • Dimension (NC) : 53.85 mm
  • Dimension (O): 3.50 inches
  • Dimension (O) : 88.90 mm
  • Dimension (O*): 4.50 inches
  • Dimension (O*) : 114.30 mm
  • Dimension (P): 5.00 inches
  • Dimension (P) : 127.00 mm
  • Dimension (U): 0.375 inches
  • Dimension (U) : 9.53 mm
  • Dimension (XA): 1.25 inches
  • Dimension (XA) : 31.75 mm
  • Dimension (XB): 2.50 inches
  • Dimension (XB) : 63.50 mm
  • Dimension (XD): 1.25 inches
  • Dimension (XD) : 31.75 mm
  • Dimension (XE): 0.56 inches
  • Dimension (XE) : 14.22 mm
  • Dimension (XF): 0.50 inches
  • Dimension (XF) : 12.70 mm
  • Dimension (XG): 1.00 inches
  • Dimension (XG) : 25.40 mm
  • Dimension (ZE): 5.50 inches
  • Dimension (ZE) : 139.70 mm
  • Dimension (ZF): 1.00 inches
  • Dimension (ZF) : 25.40 mm
Reverse Drives Drawing

Adobe 3D PDF help

JK3 Model Reversible Drives