Drive Accessories > Drive Accessories
Click image to enlarge

Drive Accessories

Part Number: Model CFY C-Face Adapter


Warning: array_merge(): Argument #2 is not an array in /data/www/webroot/zeromax/www.zero-max.com/public_html/includes/classes/image_viewer.php on line 35
Click image to enlarge
Quantity:
 
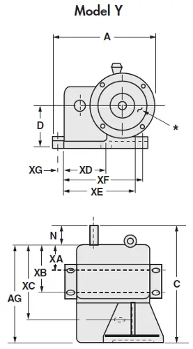
Specifications
Click for English
Click for Metric
  • Dimension (A): 9.310 inches
  • Dimension (A) : 236.47 mm
  • Dimension (AG): 8.370 inches
  • Dimension (AG) : 212.60 mm
  • Dimension (C): 10.370 inches
  • Dimension (C) : 263.4 mm
  • Dimension (D): 3.500 inches
  • Dimension (D) : 88.90 mm
  • Dimension (N): 2.000 inches
  • Dimension (N) : 50.80 mm
  • Dimension (XA): 2.280 inches
  • Dimension (XA) : 57.91 mm
  • Dimension (XB): 4.150 inches
  • Dimension (XB) : 105.41 mm
  • Dimension (XC): 6.220 inches
  • Dimension (XC) : 157.99 mm
  • Dimension (XD): 3.250 inches
  • Dimension (XD) : 82.55 mm
  • Dimension (XE): 6.500 inches
  • Dimension (XE) : 165.10 mm
  • Dimension (XF): 7.000 inches
  • Dimension (XF) : 177.80 mm
  • Dimension (XG): 0.500 inches
  • Dimension (XG) : 12.70 mm
cfy_drive_accessory

Adobe 3D PDF help
Technical Resources

Drive Accessories