Drive Accessories > Drive Accessories
Click image to enlarge

Drive Accessories

Part Number: Model CFQ C-Face Adapter


Warning: array_merge(): Argument #2 is not an array in /data/www/webroot/zeromax/www.zero-max.com/public_html/includes/classes/image_viewer.php on line 35
Click image to enlarge
Quantity:
 
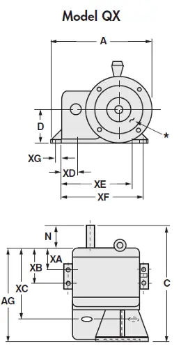
Specifications
Click for English
Click for Metric
  • Dimension (A): 10.370 inches
  • Dimension (A) : 263.40 mm
  • Dimension (AG): 11.100 inches
  • Dimension (AG) : 281.94 mm
  • Dimension (C): 13.970 inches
  • Dimension (C) : 354.84 mm
  • Dimension (D): 3.500 inches
  • Dimension (D) : 88.90 mm
  • Dimension (N): 3.000 inches
  • Dimension (N) : 76.20 mm
  • Dimension (XA): 2.390 inches
  • Dimension (XA) : 60.71 mm
  • Dimension (XB): 4.410 inches
  • Dimension (XB) : 112.01 mm
  • Dimension (XC): 8.370 inches
  • Dimension (XC) : 212.60 mm
  • Dimension (XD): 1.630 inches
  • Dimension (XD) : 41.40 mm
  • Dimension (XE): 7.120 inches
  • Dimension (XE) : 180.85 mm
  • Dimension (XF): 8.630 inches
  • Dimension (XF) : 219.20 mm
  • Dimension (XG): 0.630 inches
  • Dimension (XG) : 15.88 mm
cqx_drive_accessory

Adobe 3D PDF help
Technical Resources

Drive Accessories