Extra-Duty OHLAs > Model 350-14S Extra-Duty SAE A OHLA
Click image to enlarge

Model 350-14S Extra-Duty SAE A OHLA

Part Number: 350-14S


Warning: array_merge(): Argument #2 is not an array in /data/www/webroot/zeromax/www.zero-max.com/public_html/includes/classes/image_viewer.php on line 35
Click image to enlarge
Quantity:
 
Specifications
Click for English
Click for Metric
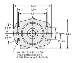
  • Input Standard: SAE A 2-Bolt or 4-Bolt Magneto
  • Input Bore: 14 Tooth 12/24 Spline
  • Input Bore : 14 Tooth 12/24 Spline
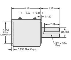
  • Input Bore Depth: 2.28"
  • Input Bore Depth : 57.91 mm
  • Output Shaft: 1-1/2" with keyway (3/8" x 3/16")
  • Output Shaft : 38.1mm with keyway (9.53mm x 4.76mm)
  • Output Shaft Length: 2.75"
  • Output Shaft Length : 69.9 mm
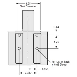
  • Input Pilot Diameter: 3.250"
  • Input Pilot Diameter : 82.55 mm
  • Input Pilot Depth: 0.250"
  • Input Pilot Depth : 6.35 mm
  • Output Pilot Diameter: 3.250"
  • Output Pilot Diameter : 82.55 mm
  • Output Pilot Height: 0.125"
  • Output Pilot Height : 3.18 mm
  • Max Speed (w/o modification): 3,300 RPM
  • Housing Material: Cast Iron
  • Shaft Material: 8620 Steel - Heat-treated
  • Bearing Type (std): Spherical Roller Bearings
  • Standard Lubrication Method: Grease
  • Optional Lubrication Methods: Contact Factory
  • Rec. Grease (typical app.): NLGI #2; Lithium Base
  • Minimum Grease Capacity: 1.2 oz.
  • Maximum Grease Capacity: 2.2 oz.
  • Grease Fitting: (2) Zerk Fitting (1/4-18 NPT)
  • Unit Weight: 18 lbs
  • Unit Weight : 8.2 kg
  • Standard Mounting Orientation: Shaft Horizontal - Consult Factory for other Mounting Orientations

Adobe 3D PDF help

Model 350-14S Extra-Duty SAE A OHLA