Non-SAE Mount > Model 412k Non-SAE Mount Overhung Load Adaptor
Click image to enlarge

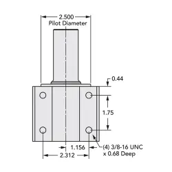
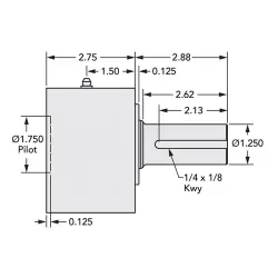
Model 412k Non-SAE Mount Overhung Load Adaptor

Part Number: 412k


Warning: array_merge(): Argument #2 is not an array in /data/www/webroot/zeromax/www.zero-max.com/public_html/includes/classes/image_viewer.php on line 35
Click image to enlarge
Quantity:
 
Specifications
Click for English
Click for Metric
  • Input Standard: Non-SAE 4-Bolt (fits LSHT motor)
  • Input Bore: 1" with keyway (1/4" x 1/8")
  • Input Bore : 25.4mm with keyway (6.35mm x 3.18mm)
  • Input Bore Depth: 2.31"
  • Input Bore Depth : 58.67 mm
  • Output Shaft: 1-1/4" with keyway (1/4" x 1/8")
  • Output Shaft : 31.75mm with keyway (6.35mm x 3.18mm)
  • Output Shaft Length: 2.87"
  • Output Shaft Length : 72.9 mm
  • Input Pilot Diameter: 1.750"
  • Input Pilot Diameter : 44.45 mm
  • Input Pilot Depth: 0.125"
  • Input Pilot Depth : 3.18 mm
  • Output Pilot Diameter: 2.500"
  • Output Pilot Diameter : 63.5 mm
  • Output Pilot Height: 0.125"
  • Output Pilot Height : 3.18 mm
  • Max Speed (w/o modification): 3,800 RPM
  • Housing Material: Cast Iron
  • Shaft Material: 1144 Stressproof Steel
  • Bearing Type (std): Deep Groove Ball Bearings
  • Standard Lubrication Method: Grease
  • Optional Lubrication Methods: Contact Factory
  • Rec. Grease (typical app.): NLGI #2; Lithium Base
  • Minimum Grease Capacity: 0.4 oz.
  • Maximum Grease Capacity: 1.0 oz.
  • Grease Fitting: (1) Zerk Fitting (press-fit)
  • Unit Weight: 10 lbs
  • Unit Weight : 4.5 kg
  • Standard Mounting Orientation: Shaft Horizontal - Consult Factory for other Mounting Orientations


 

Adobe 3D PDF help

Model 412k Non-SAE Mount Overhung Load Adaptor