Double-Male OHLA > Model 928M Double-Male Overhung Load Adaptor
Click image to enlarge

Model 928M Double-Male Overhung Load Adaptor

Part Number: 928M


Warning: array_merge(): Argument #2 is not an array in /data/www/webroot/zeromax/www.zero-max.com/public_html/includes/classes/image_viewer.php on line 35
Click image to enlarge
Quantity:
 
Specifications
Click for English
Click for Metric
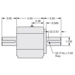
  • Input Shaft: 1-3/4" Keyed
  • Input Shaft : 44.5mm Keyed
  • Input Shaft Length: 3.00"
  • Input Shaft Length : 76.2 mm
  • Output Shaft: 1-3/4" Keyed
  • Output Shaft : 44.5mm Keyed
  • Output Shaft Length: 3.00"
  • Output Shaft Length : 76.2 mm
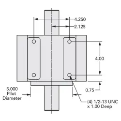
  • Output Pilot Diameter: 5.00"
  • Output Pilot Diameter : 127 mm
  • Output Pilot Height: 0.50"
  • Output Pilot Height : 12.7 mm
  • Bearing Type (std): Tapered Roller Bearings
  • Housing Material: Cast Iron
  • Shaft Material: 1144 Stressproof Steel
  • Max Speed (w/o modification): 1,900 RPM
  • Standard Lubrication Method: Grease
  • Rec. Grease (typical app.): NLGI #2; Lithium Base
  • Minimum Grease Capacity: 4.3 oz.
  • Maximum Grease Capacity: 8.6 oz.
  • Grease Fitting: (1) Zerk Fitting (1/4-18 NPT)
  • Optional Lubrication Methods: Contact Factory
  • Standard Mounting Orientation: Shaft Horizontal - Consult Factory for other Mounting Orientations
  • Face Mount Pattern: SAE C 2 or 4-Bolt
  • Foot Mount Holes: (4) 1/2"-13 UNC x 1.00" deep 
  • Unit Weight: 55 lbs
  • Unit Weight : 25 kg

Adobe 3D PDF help

Model 928M Double-Male Overhung Load Adaptor