PSL-K-B Hex-Head Posi-Lok® Keyless Shaft Bushings > Model 615M Double-Male Overhung Load Adaptor
Click image to enlarge

Model 615M Double-Male Overhung Load Adaptor

Part Number: 615M


Warning: array_merge(): Argument #2 is not an array in /data/www/webroot/zeromax/www.zero-max.com/public_html/includes/classes/image_viewer.php on line 35
Click image to enlarge
Quantity:
 
Specifications
Click for English
Click for Metric
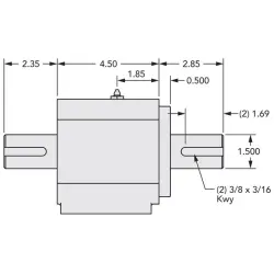
  • Input Shaft: 1-1/2" Keyed
  • Input Shaft : 38.1mm Keyed
  • Input Shaft Length: 2.35"
  • Input Shaft Length : 56.7 mm
  • Output Shaft: 1-1/2" Keyed
  • Output Shaft : 38.1mm Keyed
  • Output Shaft Length: 2.35"
  • Output Shaft Length : 56.7 mm
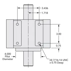
  • Output Pilot Diameter: 4.00"
  • Output Pilot Diameter : 101.6 mm
  • Output Pilot Height: 0.50"
  • Output Pilot Height : 12.7 mm
  • Bearing Type (std): Tapered Roller Bearings
  • Housing Material: Cast Iron
  • Shaft Material: 1144 Stressproof Steel
  • Max Speed (w/o modification): 2,300 RPM
  • Standard Lubrication Method: Grease
  • Rec. Grease (typical app.): NLGI #2; Lithium Base
  • Minimum Grease Capacity: 2.2 oz.
  • Maximum Grease Capacity: 4.4 oz.
  • Grease Fitting: (1) Zerk Fitting (1/4-18 NPT)
  • Optional Lubrication Methods: Contact Factory
  • Standard Mounting Orientation: Shaft Horizontal - Consult Factory for other Mounting Orientations
  • Face Mount Pattern: SAE B 2 or 4-Bolt
  • Foot Mount Holes: (4) 7/16"-14 UNC x 0.75" deep 
  • Unit Weight: 30 lbs
  • Unit Weight : 14 kg

Adobe 3D PDF help

Model 615M Double-Male Overhung Load Adaptor