Model 200 SAE A Mount Overhung Load Adaptors > Model 212k SAE A Mount Overhung Load Adaptors
Click image to enlarge

Model 212k SAE A Mount Overhung Load Adaptors

Part Number: 212k (-DP)


Warning: array_merge(): Argument #2 is not an array in /data/www/webroot/zeromax/www.zero-max.com/public_html/includes/classes/image_viewer.php on line 35
Click image to enlarge
Quantity:
 
Specifications
Click for English
Click for Metric
  • Input Standard: SAE A 2-Bolt Mount
  • Input Bore: 1" with keyway (1/4" x 1/8")
  • Input Bore : 25.4mm with keyway (6.35mm x 3.18mm)
  • Input Bore Depth: 2.31"
  • Input Bore Depth : 58.67 mm
  • Output Shaft: 1-1/4" with keyway (1/4" x 1/8")
  • Output Shaft : 31.75mm with keyway (6.35mm x 3.18mm)
  • Output Shaft Length: 2.87"
  • Output Shaft Length : 72.9 mm
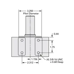
  • Input Pilot Diameter: 3.250"
  • Input Pilot Diameter : 82.55 mm
  • Input Pilot Depth: 0.125" (std); 0.250" (deep)
  • Input Pilot Depth : 3.18mm (std); 6.25mm (deep)
  • Output Pilot Diameter: 3.250"
  • Output Pilot Diameter : 82.55 mm
  • Output Pilot Height: 0.120"
  • Output Pilot Height : 3.05 mm
  • Max Speed (w/o modification): 3,800 RPM
  • Housing Material: Cast Iron
  • Shaft Material: 1144 Stressproof Steel
  • Bearing Type (std): Deep Groove Ball Bearings
  • Standard Lubrication Method: Grease
  • Optional Lubrication Methods: Contact Factory
  • Rec. Grease (typical app.): NLGI #2; Lithium Base
  • Minimum Grease Capacity: 0.5 oz.
  • Maximum Grease Capacity: 1.0 oz.
  • Grease Fitting: (1) Zerk Fitting (press-fit)
  • Unit Weight: 10 lbs
  • Unit Weight : 4.5 kg
  • Standard Mounting Orientation: Shaft Horizontal - Consult Factory for other Mounting Orientations
 
 
 

Adobe 3D PDF help
Model 200 SAE A Mount Overhung Load Adaptors 212k Configuration
Pilot Depth

Model 212k SAE A Mount Overhung Load Adaptors