Single QD Bushing Type Hubs > Single QD Bushing Hubs
Click image to enlarge

Single QD Bushing Hubs

Part Number: 6A77QD


Warning: array_merge(): Argument #2 is not an array in /data/www/webroot/zeromax/www.zero-max.com/public_html/includes/classes/image_viewer.php on line 35
Click image to enlarge
Quantity:
 
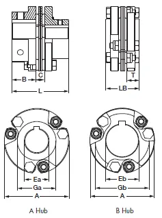
Specifications
Click for English
Click for Metric
  • Continuous Rated Torque: 15,600 in-lbs
  • Continuous Rated Torque : 1,763 Nm
  • Peak Rated Torque: 31,200 in-lbs
  • Peak Rated Torque : 3,526 Nm
  • Maximum Speed: 3,900 RPM
  • Torsional Stiffness: 94,122 In-lbs/degree
  • Torsional Stiffness : 609,303 Nm/rad
  • Parallel Misalignment: 0.025 inches
  • Parallel Misalignment : 0.60 mm
  • Angular Misalignment: 3 °
  • Axial Misalignment: 0.160 inches
  • Axial Misalignment : 4.1 mm
  • Weight with Bushing: 29.5 lbs
  • Weight with Bushing : 13.4 kg
  • Outside Diameter (A): 7.75 inches
  • Outside Diameter (A) : 197 mm
  • Overall Length w/o Bushing (LB): 4.01 inches
  • Overall Length w/o Bushing (LB) : 102 mm
  • Hub Length (T): 1.38 inches
  • Hub Length (T) : 35.1 mm
  • Distance Between Shaft Ends (C): 1.01 inches
  • Distance Between Shaft Ends (C) : 25.7 mm
  • Inside Diameter of Disc-Pack (H): 3.13 inches
  • Inside Diameter of Disc-Pack (H) : 79 mm
  • QD Bushing Type: SF
Single QD Bushing Hubs

Adobe 3D PDF help

Single QD Bushing Hubs