Drive Accessories > Drive Accessories
Click image to enlarge

Drive Accessories

Part Number: Model CFZ C-Face Adapter


Warning: array_merge(): Argument #2 is not an array in /data/www/webroot/zeromax/www.zero-max.com/public_html/includes/classes/image_viewer.php on line 35
Click image to enlarge
Quantity:
 
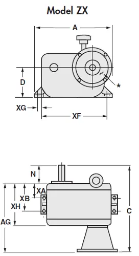
Specifications
Click for English
Click for Metric
  • Dimension (A): 12.120 inches
  • Dimension (A) : 307.85 mm
  • Dimension (AG): 10.880 inches
  • Dimension (AG) : 276.35 mm
  • Dimension (C): 14.120 inches
  • Dimension (C) : 358.65 mm
  • Dimension (D): 4.500 inches
  • Dimension (D) : 114.30 mm
  • Dimension (N): 3.250 inches
  • Dimension (N) : 82.55 mm
  • Dimension (XA): 1.500 inches
  • Dimension (XA) : 38.10 mm
  • Dimension (XB): 5.250 inches
  • Dimension (XB) : 133.35 mm
  • Dimension (XF): 10.62 inches
  • Dimension (XF) : 269.75 mm
  • Dimension (XG): 0.630 inches
  • Dimension (XG) : 15.88 mm
czx_drive_accessory

Adobe 3D PDF help
Technical Resources

Drive Accessories